随着国民经济的迅速 发展和现代化建设过程的加快实施,现代社会的工业化程度也越来越高。伴随而来的是大量的能源消耗和能源浪费,并且随着社会的进步发展;这种消耗和浪费还在 进一步的加剧发生。由于能源的越来越少很多专家都预言:谁现在掌握了能源,将来就会掌握世界。因此,能源问题已经成为了一个新的世界性的话题。
放眼全球,在没有找 到新的能源情况下,各个国家的政府都强制性的制定了很多节能减排的方针。因此,节能减排已经成为了很多企业节约成本、创造剩余价值;甚至是生存的首要任 务。尤其是在高能耗的冶金、石化、电力、矿业行业中。而这些企业多数的能耗都是在高压电机的电能消耗上;电能的消耗约占整个企业电能的65-75%。所 以,节能减排对于高压电机来说显得异常重要。不论是从电机的启动、调速、制动抑或是满足工艺来说,采用变频调速系统无疑是最有效、最理想的方式。尤其在特 定工艺和环境中,高电压、大功率的电机采用变频调速系统节能效果更加明显。
二、高压变频器的原理和分类
(1) 高压变频器的原理
按照电机学的基本原理,交流异步电动机的转速满足如下的表达式:
n=(1-s)60f/p=n0(1-s)
式中: s——电动机的滑差
f——电动机的运行频率
P——电动机的极对数
n——电动机的实际转速
n0——电动机的同步转速
从式中看出,电动机的同步转速n0正比于电机的运行频率。由于电动机的滑差一般情况下比较小(0-0.05),电动机的实际转速约等于电动机的同步转速,所以调节了电动机的供电频率,就能改变电动机的实际转速。这就是高压变频器的动作原理。
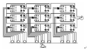
(2)高压变频器的电路结构
高压变频器的技术多种多样。但是,无论哪种产品在电路构成上来说,都是一致的。高压变频器的电路都分为主电路和控制电路两部分。如下图所示:

① 主电路
主电路的主要构成分为三部分:
a将工频电源电压转变为直流的整流电路。
b吸收整流电路和逆变电路产生的电压或是电流脉动的滤波电路。
c将直流功率变换为交流功率的逆变电路。
② 控制电路
控制电路的主要构成分为五部分:
a用于电压、电流、转矩等计算的运算电路。
b用于电压、电流检测的检测电路。
c用于驱动功率器件的驱动电路。
d用于闭环检测的速度检测电路。
e用于各种保护的保护电路。
(3)高压变频器的分类
变频器的分类分为很多种,但是大多数是从以下几个技术方面来进行分类:
按照主回路区分
① 交-交型

交-交结构没有直流回路,每相都由两个相互反并联的整流电路组成,正桥提供正向相电流,反桥提供负向相电流。装置元件数量比较多、元件利用率比较低、调频范围窄,为电网频率的1/3~1/2、电网功率因素利用率低。
② 交-直-交

交-直-交结构先将电源交流电用整流电路转变成直流电,再用逆变电路将直流电转换为频率可变的交流电。装置元件数量比较少、元件利用率比较高、调频范围 宽、由于采用PWM(Pulse Width Modulation,即脉冲宽度调制)方式调压,功率因素高、电网功率因素利用率高。 (4)按照储能方式区分
① 电流源

电流源型输入采用可控整流,控制电流的大小。中间采用大电感,对电流进行平滑。逆变桥将直流电流转换为频率可变的交流电流,供给交流电机。由于采用了电抗 作为中间直流回路,所以,输出动态阻抗大、对电压波动的敏感性大、逆变器件容易损坏、要求晶闸管耐压高,对关断时间无严格要求。
② 电压源
电压源型大多采用二极管 进行全波整流。中间采用大电容滤波,对电压进行平滑。逆变桥既控制电压输出波形中交流基波的幅值大小,也控制交流基波电压的频率。由于采用了电容作为中间 直流回路,所以,输出动态阻抗小、对电压波动的敏感性小、逆变器件不易损坏、对晶闸管耐压低,关断时间要求短。
(5)按照电平数区分
① 两电平

采用6只可关断功率器件与箝位二极管构成带中性点的逆变电路。输出和网侧的谐波大;存在均压问题。
② 三电平

采用12只可关断功率器件与箝位二极管构成带中性点的逆变电路。输出和网侧的谐波较小;可以保证均衡利用功率和变转矩负载条件的运行。
③ 多电平

有若干个低压PWM变频功率单元,以输出电压串联方式实现直接高压输出的方法。输出和网侧的谐波很小;输出波形接近正弦波。
三、HARSVERT-A高压变频器的优势
无论何种变频器从其 结构和实际的运行来看,都能起到一定的节能效果。但同时,从以上对变频器的分析和特点看。采用交-直-交、电压源型、多电平串联拓扑结构的变频器无疑是最 理想的选择。利德华福公司的HARSVERT-A正是基于交-直-交、电压源型、多电平串联拓扑结构的优点而生产的一种优质高压变频器。
HARSVERT-A具有以下优点:
①直接高压输入,高压输出、的特性。
②由于采用PWM技术实现变频器的功率器件触发,减少了主电路的损耗、提高了工作效率,很好的消除了输出谐波。
③dv/dt和多电平消除了共模电压,使得电机的振动和发热得到了很好的控制。
④利用整流变压器副边绕组的相移来消除6 m ±1次以下网侧谐波,使输入谐波在4%以下。
⑤方便快捷、人性化的全中文操作界面。
⑥完善的变频器保护措施。
⑦良好、快捷和优质的服务团队。

四、案例剖析
2008年7.63米1#焦炉干熄焦除尘风机采用的北京利德华福电气技术有限公司生产的高压变频器为例,从工艺、运行、节能原理以及节能效果进行详细的分析介绍。
(1)工艺介绍
现在的焦炉炼焦过 程,把焦炭从几百度的高温冷却到常温的过程。越来越多的应用的是干熄焦工艺。干熄焦相比于常规的用水冷却,不仅焦炭的品质优良。而且也更加的环保。干熄焦 的过程时,从焦炉里出来的焦炭通过提升机,提升到一定的高度;焦罐开口,把焦炭倾倒到干熄焦的焦罐内,封口后;然后用高压的氮气使焦炭冷却。当焦罐内的焦 炭冷却完成后,倒出。完成整个冷却过程。

每次干熄焦冷却完成出炉时间约4分钟,为高速段,定为45Hz,可以调节;干熄焦在炉内冷却时间约6分钟,为低速段,定为37Hz,可以调节。
(2)变频调节与其他调节的比较
在满足工艺需求的情况下,调节风量的方法有很多种。常用的是:挡板调节、变频调节、液力耦合调节等几种方式。
① 液力耦合器调节
在实际的应用中,液力耦合器由于存在以下的局限性。所以,很难被用户接受:
a液力耦合器需经常更换轴承,造成转炉停产,不能满足连续生产的需要。
b电动机的效率低,损耗大,尤其低速运行时,效率极低。
c 调节精度低、线性度差,响应慢。
d 启动电流仍比较大,影响电网稳定。
e 液力耦合器故障时,无法切换至工频旁路运行,必须停机检修。
f 漏油严重,对环境污染大,地面被油污蚀严重。
g 调速范围窄,转速不稳定。
② 挡板调节
挡板调节虽然能够满足工艺需求。但是还是存在很多的弊端:
a调节精度低、响应慢。
b电能的损耗相当巨大。
c维护量大,机械故障高。
③ 变频调节
在实际的应用中变频调节,不仅能够满足工艺的需求,而且对工艺的提升、节能量以及维护成本还有重要的意义:
a 变频器运行稳定、可靠。
b 在运行中出现故障,可自动切换工频。
c 调速范围大、效率高。
d 调速响应快、精度高。
e 减少了对电网的冲击,延长电机的寿命。
f 节能效果明显。
下图是各种调节方式在实际的应用中节能对比:

(3) 理论节能分析
根据一般风机的负载工作特性,可以得出下面的负载曲线图:

由此,我们可以做一个假设:即在风道的管网特性保证不变的情况下。由流体力学原理可以得出以下结论:
输出流量Q与转速n成正比:Q1/Q2=n1/n2 ……(1)
输出压力H与转速n2成正比:H1/H2=(n1/n2)2 ……(2)
输出轴功率P与转速n3成正比:P1/P2=(n1/n2)3 ……(3)
即当输出轴的转速下降时,输出轴的功率会以速度的立方量下降。就是说,通过调速方式改变风机风量。譬如:当输出轴的转速下降20%时,输出轴的功率下降49%。这也是为什么变频调速在风机应用上节能十分显著的原因。
使用变频技术不仅在 实际的运行中起到节能作用。同时,对于电机的启动也有相当重要的意义。首先,如果直接使用工频启动电机,启动电机的瞬时电流会是电机额定电流的2-7倍, 对电机的机械冲击非常的大,大大降低电机的使用寿命。而且工业中除尘风机由于对风量的需求高,一般都是采用高压电机,这样对电机的损耗就明显了。与此同 时,启动的瞬间由于电流的陡增,对电网的冲击也很大。甚至可能把用户的电网顶掉,造成用户网侧失电给用户造成无法估计的损失。通过实际计算,仅是在每次启 动时变频启动就可以比工频直接启动节约十分之一的电能损耗。
(4) 运行情况及实际节能分析
首钢京唐钢铁 7.63米1#焦炉干熄焦除尘风机电机参数:额定功率630kW,额定电压6000V,额定电流76.4A,功率因数0.85,额定转速 995r/min。电机在工频运行时的电流是52A左右,低速时的输入电流在21A,转速为740r/min,电压为4.4kV;高速时的输入电流为 35A,转速为895r/min,电压为5.4kV。我们每年按8500小时计算
负载在工频状态下,耗电量:
1.732×Ue×I×COSΦ
由公式我们可以得出工频时每小时的耗电量是:459.326kW·h。年耗电量为:3904271 kW
使用变频后在低速段的每小时耗电量为:197.127kW·h。年耗电量为:1005348kW
使用变频后在高速段的每小时耗电量为:347.844kW·h。年耗电量为:1182670kW
节电比例为:(3904271-1182670-1005348)/3904271=44%
五、结论
通过对首钢京唐钢铁 焦炉干熄焦除尘风机的实际应用和技术分析,可以看出应用高压变频调速技术不仅可以有效改善现场生产状况,减少电机的损耗和不必要的大量维护工作。更重要的 是能节约大量的电能,给企业带来额外的经济效益,给企业一个良性健康的生产循环。达到国家对冶金行业良性循环的要求。






