摘要:环形供电回路虽然供电可靠,但由于控制复杂,多见于高压供电系统。本文在低压环形供电回路中采用Sepam系列数字式综合保护继电器,使控制方案简化和经济。
引言
在电力系统中,供电的连续、可靠非常重要。环形供电系统便是为了实现这一要求而采取的系统供电形式之一。而Sepam系列多功能数字式综合保护继电器为完成此功能提供了经济实用的解决方案。此方案多用于高压环形供电回路,本例说明是Sepam在低压环形供电回路中的应用实例。
1低压环网供电方案及技术要求
1.1图1是一个低压环网供电方案,ST1QF、ST2QF、ST3QF分别是I、II、III段进线主断路器,BNQF13、BNQF23、BNQF12分别是I-II、II-III、III-I段母线之间的联络断路器。

1.2厂用0.4kv系统备用电源自动投入技术要求
1.2.1厂用0.4kv正常运行方式
厂用0.4kvI、II段分段运行并且互为备用;厂用0.4kvIII段作为外来备用电源。
1.2.2备用电源自动投入(BZT)运行方式:
1.2.2.1被控设备
厂用0.4kv系统由3段0.4kV母线组成。共3个进线断路器,3个分段断路器。
1.2.2.2功能
正常运行时进线断路器ST1QF1、ST2QF、ST3QF均在合闸状态,分段断路器BNQF12、BNQF13、BNQF23均在分闸状态。
A)数据采集
各段母线均设有母线PT,其电压量直接引入0.4kv厂用电备用电源自动投入(BZT)系统,即功能母线有压和无压检查后,判断其母线有电压和无电压,用于选择个断路器投切。
保证备用电源自动投入(BZT)系统只动作一次,以避免分段断路器合到河道故障线路并跳闸后,而再次合闸。
B)动作方式
备用电源自动投入(BZT)系统工作方式如下:
a、当检测到第I段0.4kv母线无电压:
a)若第II段或第III段0.4kv母线同时有电压,则优先由第II段电源自动投入(BZT)系统经延时断开第I段0.4kv母线进线断路器(ST1QF),然后经延时闭合0.4kv母线进线断路器(BNQF12)。
b)如若第II段0.4kv母线无电压,则由第III段电源自动投入(BZT)系统经延时断开第I段0.4kv母线进线断路器(ST1QF),然后经延时闭合0.4kv母线进线断路器(BNQF13)。
b、当检测到第II段0.4kv母线无电压:
a)若第I段或第III段0.4kv母线同时有电压,则优先由第I段电源自动投入(BZT)系统经延时断开第II段0.4kv母线进线断路器(ST2QF),然后经延时闭合0.4kv母线进线断路器(BNQF12)。
b)如若第I段0.4kv母线无电压,则由第III段电源自动投入(BZT)系统经延时断开第II段0.4kv母线进线断路器(ST2QF),然后经延时闭合0.4kv母线进线断路器(BNQF23)。
1.2.2.3每台备用电源自动投入(BZT)装置应安装在各自厂用0.4kv主盘进线开关柜中。
2为实现以上技术要求配置了施耐德公司的SepamS40型多功能数字式综合保护继电器及其附件完成这些功能。
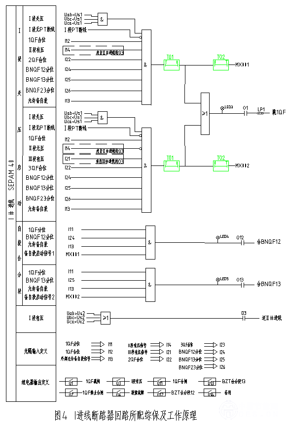
图2,图3,图4,图5分别SepamS40型多功能数字式综合保护继电器的配置原理图。




3 结语
SepamS40型多功能数字式综合保护继电器的配置在低压环形供电回路中能实现控制、保护、通讯等功能,可满足高可靠性连续供电的要求。从本文的实例中可看出选用SepamS40型多功能数字式综合保护继电器的方案也是比较经济、实用的。
作者简介:张尚斌,1966年出生,男,本科,高级工程师,成套总工,电气成套装置开发与设计






